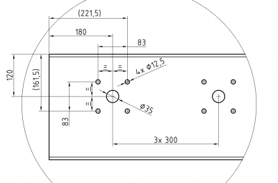
Poutre Inférieure Gauche (prolongée) - 0018
De Open Source Ecologie
texte explicatif
Sous-ensemble du chassis du broyeur à rouleaux.
Longueur
Quelle longueur totale ?
texte explicatif
Sous-ensemble du chassis du broyeur à rouleaux.
Quelle longueur totale ?